ledtech

SUBMINIATURE
Chip LED is an ultra-compact surface-mount LED, widely used in space-constrained electronic devices such as mobile phones, wearables, and indicator lights.
  • Information
  • Specification Sheet
  • SUBMINIATURE / LED Lamps(leadframe)

    test


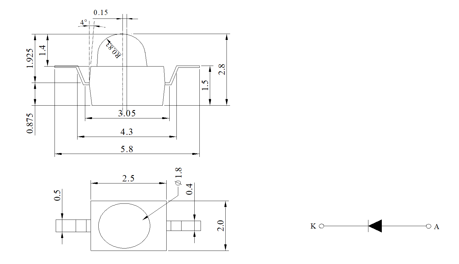
    Dimension (Unit: mm)

    test

    Specification Sheet

    PART NUMBERS

    COLOR

    Waveleng(nm)

    If(mA)

    Vf(V)

    Iv(mcd)

    ACTION

    LT0223-A7-UBC4-TZC1

    True Green

    525

    20

    3.2

    2600

    Add to consult list

    LT02A3-A7-TZC1

    Amber

    605

    20

    2.1

    40

    Add to consult list
    Drag the table to view the full information.
    • Information
    • Specification Sheet
    More Products
    SUBMINIATURE
    LED Lamps(leadframe)
    SUBMINIATURE
    LED Lamps(leadframe)

    Consultation List

    The following list is for products that have been added to theinquiry form earlier. Once confirmed, fill in the contactinformation, we will contact you as soon as possible.
    Step 1
    Confirm Consultation Products
    Other Product Consultations

    Please fill in at least one of the two fields to successfullysubmit the inquiry form.

    Top
    Remove All
    Next
    Step 2
    Contact Information

    Mr./Ms.

  • Mr.
  • Ms.
  • Primary Job Title

  • Management (Manager level and above)
  • Administration / HR / Finance
  • Sales / Marketing / Customer Service
  • Procurement
  • Technical / Engineering / R&D
  • Quality Assurance
  • Design / Creative
  • Education / Training
  • Medical / Healthcare
  • Student
  • Freelancer / Independent Contractor
  • Other (please specify)
  • Top
    Back to Step 1
    Send

    Not logged in yet

    After logging in or registering as a member, you can easily accessyour consultation records, favorites list, and enjoy exclusivedownloadable resources. Log in now to explore more personalizedservices!

    Log In

    Account Deactivated

    Your account is currently deactivated and cannot access member-exclusive features.
    Please visit the Member Center to request reactivation and wait for approval.

    Member Center

    Remove

    Are you sure you want to remove this product?

    Yes
    No

    Remove All

    Are you sure you want to remove all of the products?

    Yes
    No

    Not logged in yet

    Log in or register to access your inquiry history, saved items, and exclusive downloads. Discover more personalized services today.

    Privacy Policy
    Privacy Policy
    1. Summary
    This Privacy Policy is provided by Ledtech Electronics Industrial Co., Ltd. (hereinafter referred to as “the Group”) and applies to individuals outside the Group, including customers, visitors to the Group’s website, users of our products or services, employees of our corporate clients and contractors, job applicants, and visitors to the Group’s premises (hereinafter referred to as “you”).Please read this Privacy Policy carefully. By accessing or browsing the official website of Ledtech Electronics Industrial Co., Ltd. (hereinafter referred to as “the Website”), you are deemed to have agreed to be bound by the terms of this Privacy Policy.This Privacy Policy does not apply to any third-party websites linked through the Website, nor does it apply to individuals who are not entrusted by or under the management of the Website.
    2. Collection, Processing, and Use of Personal Data
    When you visit this Website or use the services provided herein, the Group may collect your personal data depending on the nature of the service or functionality. The Group will process and use your personal data solely within the scope of the specific purposes for which it was collected. Your personal data will not be used for any other purposes without your prior written consent.
    • When you provide information to the Group by completing forms or surveys on this Website
    • When you register as a member of the Group
    • When you visit this Website or use its features and resources
    • When you interact with third-party content or advertisements on this Website (including through the use of cookies)
    • Information you disclose publicly
    • When you participate in our business activities or otherwise interact with us (directly or indirectly) as a consumer, business customer, partner, supplier (or sub-supplier), contractor, or other party with whom we have a business relationship.This Privacy Policy applies to you only when we act as the data controller in relation to your personal data. If we act as a data processor, the applicable privacy policy will be that of the data controller with whom your personal data is shared.
    To provide accurate services, the Group will compile and analyze the information collected from forms and surveys. In addition to internal research, the data will also be used to customize, assess, and improve the Group’s services based on your preferences, as well as to contact you for providing requested or potential services or products.
    Due to the international nature of the Group's operations, your personal data may be transferred to other companies within the Group, including locations outside of Taiwan. When transferring data, we will ensure the security of your personal information in accordance with the level of protection required by applicable privacy laws. If the destination country does not provide an adequate level of data protection, we will enhance our information security measures and enter into standard data protection clauses with the recipient to ensure their obligation to safeguard your data.
    3. Protection of Data
    All servers of this website are equipped with firewalls, antivirus systems, and other necessary information security devices and protective measures to safeguard both the website and your personal data. The Group enforces strict protection standards.Only employees of the Group, its affiliates, or partners who need access to your personal data for business purposes are authorized to do so. All relevant personnel are bound by confidentiality agreements, and any breach of these obligations will result in legal consequences.When it is necessary to entrust external parties to provide services due to business needs, the Group will strictly require them to adhere to confidentiality obligations and will implement appropriate inspection procedures to ensure their compliance.
    4. Privacy on Sharing Personal Data with Third Parties
    Your personal data will be kept strictly confidential. However, the Group may disclose your personal data under the following circumstances, including but not limited to:
    • When required by applicable laws and regulations.
    • When necessary to protect your life, physical integrity, freedom, or property.
    • When cooperating with government agencies or academic research institutions for statistical or academic research purposes in the public interest, provided that the data has been processed or collected in such a way that the specific individual cannot be identified based on the method of disclosure.
    • When your actions on this website may harm or interfere with the rights and interests of the website or other users, or cause harm to any person, and the website administration determines that disclosing your personal data is necessary for identification, communication, or legal action.
    • When it is in your best interest.
    • When this website commissions vendors to assist in the collection, processing, or use of your personal data, it will exercise proper supervision and management over the commissioned vendors or individuals.
    五、Use of Cookies
    To provide you with the best service, this website will place and access cookies from our group on your computer. If you do not wish to accept cookies, you can set your browser's privacy level to high to refuse cookie placement, but this may result in certain website functions not operating properly.
    Revisions to This Privacy Policy
    This privacy policy may be revised at any time as needed. The updated terms will be published on the website, so please check regularly to protect your rights.
    Top